星空游戏·(XingKonng)官方网站

效劳热线:

0517-84922147

NEWS

新闻资讯

联系星空游戏·(XingKonng)官方网站

法定代表:周玉明

总 经 理:韩发松

手      机:13338909991

副总司理周文远

手      机:(0517) 8495 6299 15365916999

电      话:0517-84922147

传      真:0517-84923981

邮      箱:bmty01@163.com

地      址:江苏省淮安市淮阴区王营镇越华路1号

首页 > 新闻资讯

新闻资讯

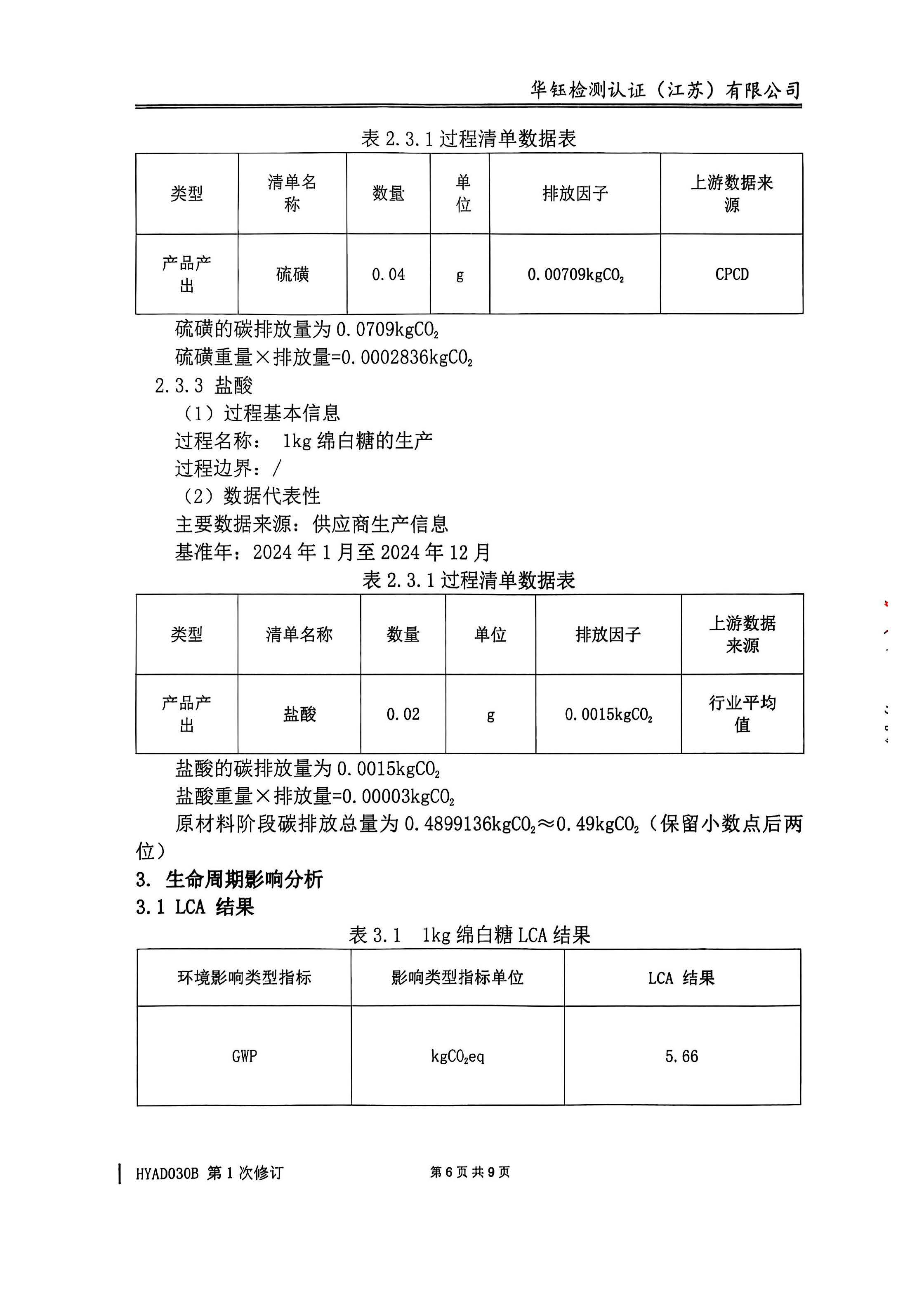
碳足迹评价报告

宣布时间:2025-08-18   点击率:
星空游戏
星空游戏
星空游戏
星空游戏
星空游戏星空游戏星空游戏星空游戏星空游戏星空游戏星空游戏星空游戏
【网站地图】【sitemap】